Marques de màquines de cosir

Màquina de cosir "Seagull-2": descripció i manual d'instruccions

Màquina de cosir Seagull-2: descripció i manual d’ús
Continguts
  1. Característiques
  2. Dispositiu intern
  3. Sol·licitud, afinació, reparació

Tot i el gran desenvolupament de la indústria tèxtil, les màquines de cosir domèstiques mantenen la seva popularitat. Entre ells, hi ha demanda fins i tot d’antics models que es van produir a la dècada de 1970. Però és difícil trobar coneixements reals sobre com configurar i ajustar aquesta tècnica. És el moment d’omplir aquest buit. Proporcionem una descripció i instruccions de funcionament de la màquina de cosir "Seagull-2".

Característiques

És adequat iniciar la conversa sobre el model de la màquina de cosir peus "The Seagull-2", ja que està disposat aproximadament de la mateixa manera que els altres models de la sèrie "The Seagull". D'altra banda, l'estructura interna de l'antiga popular sèrie de Podolsk tampoc no presenta diferències notables. El mode de funcionament no hi ha gaire diferències.

L’única diferència perceptible és la presència de variacions addicionals de la línia “zig-zag” presents en algunes modificacions.

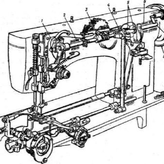
Dispositiu intern

El Seagull-2 està equipat amb un dispositiu llançadora, un determinant del tipus de línia, un ajustador d’amplada en ziga-zaga, un passador de bobina, un rodet i un volant. Una palanca s’encarrega de canviar l’agulla i una altra de tirar els fils. Es proporciona una placa d’agulla. De les altres parts, n’hi ha:

  • plataforma
  • detall de pinça;
  • un parell de gorres;
  • palanca aixecant el peu;
  • controlador de tensió del fil;
  • barra d’agulles;
  • rentadores estretes;
  • palanca de canvi d’agulles;
  • palanca d’alimentació de retorn;
  • pals en zig-zag, controlador de puntes, pentinat, apagat caixa de la copiadora;
  • pintoresc disseny.

Sol·licitud, afinació, reparació

Les màquines de cosir "The Seagull" i "Podolsk" poden treballar amb:

  • tela per llençols;
  • chintz;
  • teles de setí;
  • materials de seda;
  • materials per a la roba;
  • batiste;
  • varietats de seda d'elit;
  • calico;
  • teixits de llana per a vestits;
  • peces espessides a base de llana (per un abric) i drap fort.

Segons la tasca específica, es poden utilitzar les opcions següents:

  • agulles 70, fils 65;
  • agulles 80, fils 65;
  • agulles 90, 100 o 110.

El manual d’instruccions preveu la introducció de l’agulla al porta-agulles i, seguidament, es fixa a la parada amb un cargol. Només després d'això, s'ha inserit el fil superior i inferior. Primer treball amb el fil superior. Estireu el passador de la funda de la funda fins que s’aturi. Poseu l’ull de l’atractiu del fil a la posició superior girant el volant.

A continuació, aixequeu la part de subjecció. Poseu a la vareta un filador. El fil superior s’insereix als passadissos de la guia del fil de la placa, exactament entre les rentadores del controlador de tensió. A continuació, s'empenya cap a l'obertura de la molla, atraient el fil, realitzat sota el ganxo del fil, condueix pel forat de la palanca de presa del fil a la guia del fil. Després queda estirar el fil a la guia del fil a la barra de l’agulla i col·locar la seva punta a l’ull al lloc de l’operador.

La càrrega inferior del fil comença a partir de la funda de la bobina i la bobina. Aquesta operació es realitza girant l’element que situa l’agulla al punt més alt. A continuació, feu lliscar la placa i amb dos dits agafeu la palanca del pestell. Llavors, treure la caixa de la bobina no serà cap problema.

El manual també descriu els passos per enrotllar el fil a la bobina amb una bobina.

Un cop acabat això, introduïu la tapa de la bobina dins del ganxo. Cal tenir cura de que l’agulla estigui al punt més alt. Si s'introdueix correctament la tapa, la palanca del pestell es carrega en molla. Quan s’obre la tapa, és com si es tractés de tornar. Si voleu començar a cosir, heu de tirar el fil inferior a la placa de l’agulla i, després, aferrant-vos al fil superior, tireu el fil del ganxo a la mateixa placa.

    La classe 116-2 proporciona la possibilitat d’ajustar la puntada. La potència del contrallum és de fins a 15 watts. El pes de la fàbrica pot arribar als 18,5 kg. La sortida de la funda és de 0,17 m. És cert que aquest és el model "The Seagull-3", que ha esdevingut el successor del model anterior. A més d’alguns complements, no és diferent.

    Els experts recomanen acabar els productes amb el mínim espai entre línies. Aleshores, la imatge serà més clara. Canvieu la línia quan haureu de fer manipulacions complexes. Una línia experimental ajuda a comprovar la qualitat del firmware. Treballant amb el controlador de tensió del fil superior, garanteixen que els fils es troben entrellaçats als centres de les peces a connectar.

    Cosir sobre un teixit molt gruixut o fort a un ritme més lent del que és habitual. L’ajuda al volant és molt útil (s’haurà de desplaçar manualment). Els teixits prims, sobretot la seda, es tiren lleugerament darrere del peu. Aleshores, hi haurà menys possibilitats de que la costura s’agafi juntes. Per lubricar la màquina de cosir, només s’utilitza oli lubricant industrial I-20A, que correspon a GOST 1975. Si la màquina es coseix molt durament o si el fil està bloquejat, haureu de netejar urgentment la llançadora.

    Sobre com aprendre a cosir a la màquina de cosir "Seagull-2", vegeu més informació.

    Escriu un comentari
    Informació proporcionada amb finalitats de referència. No et medicis. Per a la salut, consulteu sempre amb un especialista.

    Moda

    Bellesa

    Descansa