Toilet bowls

Dimensions of toilet installations

Dimensions of toilet installations
Content
  1. Dimensions of frame structures
  2. Block system options
  3. Installation sizes for toilet from different manufacturers
  4. How to choose?

The size of installations for toilets is one of the key criteria for choosing such devices. Structurally, they are a frame that forms the basis for the installation of sanitary products (bowl, tank and additional elements). The fixture of the system can be carried out both to the floor of the toilet room, and to one of the walls. This approach allows you to choose the best installation location, save space and hide communications.

Dimensions of frame structures

In the corresponding segment of the modern market, more than a wide range of structures under consideration is now presented. All of them have different dimensions, allowing you to choose the most relevant options in each case. The system has several main components. Estimating the width, height from the floor and the thickness of the installations, the features of their elements should be taken into account.

The main part of the structure is its body, made of durable steel. It should be borne in mind that this material must be subjected to anti-corrosion treatment. The installation fixes the piping of the toilet bowl, tank and other devices, if any, in the kit. In parallel, all fasteners are installed, the list of which includes studs and couplings.

Deserves special attention installation of a drain tank, which has certain differences from conventional ceramic models. Taking into account the design features of the installation case, products are not made of ceramics, but high-quality plastic. This allows you to significantly reduce the size and weight of the entire system.

First of all, it is necessary to consider the size of frame structures for installing plumbing fixtures. These values ​​are determined by the dimensions of the following parts of the system.

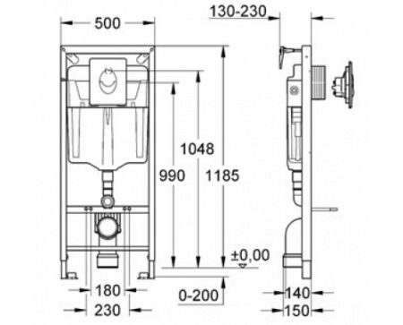
  • Plastic drain tanks The built-in type of most manufacturers has unified dimensions. Their thickness and width are 500 and 90 mm, respectively.
  • The height of the frame structure is from 1020 to 1400 mm. At the same time, 200 mm should be buried in the concrete base of the room. Even the lowest installations are not an exception.
  • The width of the frame is 500 mm, and the installation depth varies in the range from 150 to 300 mm.
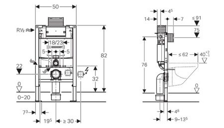
  • Height from floor to center of toilet drain pipe - 229 mm. To the mounting holes of the bowl of the plumbing fixture - 320 mm.
  • The distance between these holes is most often uniform. According to the current standard, it is 180 or 230 mm.

    If there is a strong wall in the bathroom, it makes sense to consider options for wall-mounted frame installations. Special attention should be paid to the combined methods of mounting systems. They provide for mounting the structure on two planes at once (horizontal and vertical). But in any case, the choice of a particular option will be determined by the configurations, as well as the dimensions of the room and installation.

    One of the main advantages of frame models is the presence of adjustable elements. Most of these systems can be adjusted to different niches for installing plumbing. Sometimes the installation of toilets has to be carried out under a window or in other places with limited space. In such cases the best choice would be shortened frames with a height within 850 mm. For very small and narrow toilet rooms, corner models are optimal.

    Block system options

    The height of these structures is from 80 to 100 cm, and the depth varies from 100 to 150 mm. Elements designed for wall mounting have holes for anchor bolts. For most models, they are located in the corners. However, some manufacturers add additional holes in the middle.

    It is worth considering that block installations belong to the category of budget products. In addition, their advantages include ease of installation. After installing the structure, special fittings are attached to it for the subsequent installation of plumbing. It is these components of the system that determine its dimensions.

    Installation of most block models, regardless of their size, implies the mandatory presence of the most durable base. This applies to both walls and flooring.

    On a wooden floor or foam blocks it is unlikely to be able to securely fix the installation. It is this factor that significantly reduces the scope of their application.

    Installation sizes for toilet from different manufacturers

    The right brand choice is the key to the long-term operation of any product at minimum cost. Analysis of products from different manufacturers requires a certain amount of time. However, this approach is fully justified.

    In accordance with the numerous reviews of specialists and users, today the market leaders are the following brands.

    • Geberit - a company whose history began with the production of seamless tanks. Due to their dimensions, installation frames of this brand allow installation of plumbing in rooms with different design features. This includes situations where the distance to the wall is minimal.
    • Grohe - A time-tested developer representing Germany in the market of plumbing systems. All brand products are made of the most durable steel with high-quality anti-corrosion coating.
    • Viega - Another German company specializing specifically in the production of installation structures.

    In addition to the three leaders, the domestic market presents high-quality products of such brands as:

    • Cersanit;
    • Tece;
    • AM PM
    • Roca.

    Geberit offers its customers a range of installations called Duofix.Customers are available models equipped with drain tanks, taking into account their requirements.

    The dimensions of the systems depend precisely on the choice of this plumbing fixture.

    For example, Omega models are available in 82, 98 and 112 cm high designs.

    The height of the Sigma tank is 112 cm, and its thickness is only 8 cm. Due to such an ultra-thin device, the developers managed to create an installation system with a minimum distance from the wall. And the most affordable one is the model designed to install the Delta drain tank.

    Analyzing the technical characteristics of the products of this manufacturer, it is worth highlighting Duofix UP320 model. Due to its size, it is universal and compatible with almost all toilet bowls. So, the distance between the mounting studs can vary within 18-23 cm.

    The system is designed for mounting both on the floor and on the wall with a hanging toilet. By the way, the latter is not included in the delivery package.

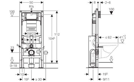
    To the main competitive advantages UP320 models from the mentioned collection includes the maximum ease of installation. For the implementation of the installation does not require the use of an additional tool. The installation box is equipped with self-locking supports exposed to a height of up to 20 cm. The height, width and depth of this design are 112, 50 and 12 cm.

    Another representative of the Duofix model line is the model with the number 458.120.11.1, designed for the above model of the Delta drain tank. The developers have envisaged a hidden type of installation on false walls made of plasterboard. Determining the dimensions of the box, it must be borne in mind that the depth, height and width of the frame are 12, 112 and 50 cm, respectively.

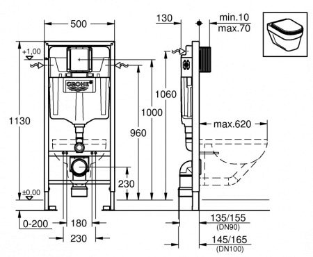
    Recently, products of the German brand Grohe are produced in Thailand and Portugal. Despite this, its quality remains consistently high, and the client base continues to grow steadily. Among the most popular models of installation frames can be distinguished Solido-39192000. Its basis is a self-supporting frame made of high-strength steel with a high-quality anti-corrosion coating.

    The installation can be mounted on a wall or floor in front of a drywall partition. In accordance with the reviews, this design is distinguished by the convenience of supplying communications. The depth, height and width of the model are 23, 113 and 50 cm. The maximum ease of installation of the frame is due to the presence of fasteners in the delivery set, including for plumbing products.

    Due to the design features and dimensions, it is possible to control the height of the toilet itself. This is most relevant for people with small stature.

    The Rapid Sl-38721-000 is also on the list of the most popular Grohe product designs. It is equipped with a drain tank with a volume of 6 to 9 liters and has a height of 120 centimeters. The box is mounted in front of the wall or partitions and allows you to quickly adjust the installation of the toilet.

    As in the previous case, this system is equipped with fasteners for the installation of plumbing, the distance between which is standard from 18 to 23 cm. Water and sewage can be connected from a more convenient side. The outlet pipe has a size of 9 cm, and the width and depth of the structure are 50 and 16.5 cm, respectively.

    How to choose?

    There is no strictly defined standard for the dimensions of installation frames. In each case, the choice is made taking into account the dimensions and design features of the toilet room. With sufficient free space, you can think about installing larger structures, including even a bidet.

    By the way, in such situations, the most relevant option will be a frame system that has the appropriate dimensions.

    If there is a capital wall in the room, it is worth considering block models of installation frames.Often it is required to equip a non-standard room in a confined space. In such cases, experts recommend studying the dimensions of the corner structures.

    It turns out that choose a box for subsequent installation of plumbing is necessary taking into account not only personal preferences. In this case, we are also talking about the features of the installation and connection of all products. So, for example, the installation dimensions for the built-in toilet are selected taking into account the distance from the bowl to the wall or furniture. This value should be at least 60 cm, otherwise the use of the toilet will be uncomfortable, since the legs will rest against the mentioned obstacles.

    Standard systems are suitable for equipping more spacious rooms. The bowl in such cases is set 18-20 cm from the box. And the distance mentioned above is recommended to be maintained on all sides of the plumbing device.

    At the same time, it is strongly recommended that all necessary calculations be performed prior to the acquisition of plumbing and installation framework.

    Before buying and starting installation, you should carefully study the plan of the toilet or bathroom. This will allow you to choose the most convenient and most suitable place for plumbing and its dimensions. It is worth paying special attention to the following points.

    • With the standard installation of the frame near the walls of the toilet room, you can choose both block and frame models. Their sizes are selected taking into account the dimensions of the plumbing and the room.
    • If you need to install a plumbing system in a small room, in the attic or under the window, you should consider small-sized models. Their height should not exceed 85 cm.
    • To install plumbing on two sides of the box installations with appropriate fixtures (double-sided) and dimensions are designed.
    • When equipping rooms in which it is necessary to install several hanging toilets at onceChoose special installations. We are talking about linear structures with a height of 115 cm.

    The vast majority of frames are rectangular in shape. At the same time, they should be selected taking into account the commensurability of the parameters of the product itself and the niche. In cases where the box is larger, the voids are usually filled with materials having soundproofing properties.

    Experienced experts recommend giving preference to universal models whenever possible. This refers to height-adjustable systems.

    The standard dimensions of the built-in toilet models are as follows:

    • height - from 35 to 45 cm;
    • depth - from 50 to 60 cm;
    • width - from 30 to 40 cm.

    Although these parameters are standard, they may vary.

    It should be remembered that now manufacturing companies offer more than a wide range of models. We can talk about special children's toilets, as well as products with larger bowls. In addition, plumbing is available for people with disabilities and a lot of weight. Naturally, all these factors will determine the choice of installation structures and their dimensions.

    In addition to all of the above, the dimensions of the drain tank should be taken into account. In the vast majority of cases, the thickness of suspended plastic devices is 9.5 cm and their width is 0.5 m. The height of such tanks is usually slightly larger than the similar parameters of conventional models. This size varies from 55 to 60 cm.

    When choosing a frame for installing built-in plumbing, you need to remember the design features of various types of systems. So, frame options have a depth of 15-30 cm (more often it is a minimum parameter). In height, such models can be from 85 to 140 cm, and their maximum width is 60 cm.

    The following dimensions must also be considered:

    • the center of the sewer pipe is located 22 cm from the floor;
    • the distance between the mounting holes is from 18 to 23 cm.

    The minimum dimensions of block installations are, as a rule, identical to the similar parameters of frame structures. Their depth can be from 10 to 15 cm, and height - up to 1 meter. It is also necessary to consider the possibility of separate installation of the built-in tank and toilet bowl. The latter in such cases is not mounted in a niche, but directly to the wall.

    For more information about the installation for the toilet, see further in the video.

    Write a comment
    Information provided for reference purposes. Do not self-medicate. For health, always consult with a specialist.

    Fashion

    beauty

    Relaxation